セラミックスねじ 図面 六角ナット
セラミックス製六角ナットの規格・価格・図面の一覧。
- HOME
- セラミックスネジTOP
- メートルねじ
- 六角ナット
- 図面M6xH5.1
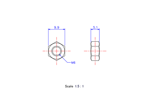
六角ナット [メートルタイプ] M6xH5.1 図面
上記ボタンをクリックすると、PDFおよびDXFファイル形式でデータをダウンロードすることができます。 なお、PDFファイルの閲覧にはAdobe社のAdobe Reader(最新版)、DXFファイルの閲覧には専用ソフトがインストールされた環境が必要です。
本サイトに掲載されていない規格外のものに関しても承ります。お気軽にお問合せください。
上記サイズ・価格表は、予告無く変更する場合がございますが、ご了承願います。
上記サイズ・価格表は、予告無く変更する場合がございますが、ご了承願います。
